CEC enclosure part numbers, Models 982, 988
| CEC enclosure part name | Figure | Table |
|---|---|---|
| Cables (external) | Figure 3, Figure 5 | Table 6, Table 7 |
| Control panel | Figure 1 | Table 2 |
| Disk drive | Figure 1 | Table 2 |
| Disk drive backplane | Figure 4 | Table 5 |
| Ethernet adapter | Figure 3 | Table 4 |
| Fan assembly, front | Figure 1 | Table 2 |
| Fan assembly, internal | Figure 4 | Table 5 |
| I/O backplane | Figure 2 | Table 3 |
| I/O voltage regulator module (VRM) | Figure 2 | Table 3 |
| I2C interface card assembly | Figure 3 | Table 4 |
| Memory module | Figure 2 | Table 3 |
| Memory voltage regulator module (VRM) | Figure 2 | Table 3 |
| PCIe two-port card | Figure 3 | Table 4 |
| Power midplane | (Not shown) | Table 3 |
| Power supply | Figure 3 | Table 4 |
| Processor module | Figure 2 | Table 3 |
| Processor voltage regulator module (VRM) | Figure 2 | Table 3 |
| RAID card | Figure 4 | Table 5 |
| RS-485 serial interface card | Figure 3 | Table 4 |
| Service processor card | Figure 3 | Table 4 |
| System backplane | Figure 2 | Table 3 |
| Time-of-day battery card | Figure 2 | Table 3 |
| Vital product data (VPD) card | Figure 2 | Table 3 |

| Location code | Part name | CCIN (see note) |
Part number |
|---|---|---|---|
| Un-A1 to A5 | CEC enclosure fan assembly (front) | 00E9335 | |
| Un-D1 | CEC enclosure control panel assembly | 00E1966 | |
| Un-P1-T3 Un-P1-T4 |
Not used | ||
| Un-P4-D1 | Not used | ||
| Un-P4-D2 to D9 | CEC enclosure disk drive, 300 GB 15 K (512 block size) | 59E0 | 02YC612 |
| Un-P4-D2 to D9 | CEC enclosure disk drive, 300
GB 15 K (528 block size) Contact your next level of support before ordering this drive. 02YC612 is the preferred FRU. |
59E0 | 00E9912 |
| Un-P4-D10 to D13 | Not used | ||
|
Important: Read this entire note as there are exceptions to what part number to order.
The custom card identification number (CCIN) identifies the physical features and logical behavior
of a part. If two parts appear physically identical but have different CCINs, they are not
interchangeable unless stated elsewhere in the maintenance package or by the next level of support.
If two parts have different part numbers and yet have the same CCIN, they are interchangeable.
When you order a part number reported in a serviceable event or call home record, check whether the parts-ordering system has a conditional substitute for DS8000®. There are some exceptions where the part number on the DS8000 FRU part number is not the same one that is reported and called home. The part number that is reported and called home might be the original eServer™ part number that might have firmware that is not appropriate for DS8000. Order the DS8000 FRU part number to ensure that the correct firmware is present. |
|||

| Location code | CEC enclosure part name | CCIN (see note 1) |
Part number |
|---|---|---|---|
| Un-P1 | I/O backplane (8408-E8E only) | 2CC9 (note 2) | 00LR495 |
| I/O backplane (8408-44E only) | 2CC9 (note 2) | 00E4862 | |
| Un-P1-C5-C1 | Time-of-day battery card | 00E3910 | |
| Un-P1-C13 | I/O voltage regulator module (VRM) (8408-E8E only) | 2CCF (note 2) | 00LR458 |
| I/O voltage regulator module (VRM) (8408-44E only) | 2CCF (note 2) | 01KU188 | |
| Un-P1-C14 | Vital product data (VPD) card (8408-E8E only) (see note 3) | 562C | 00YM826 |
| Vital product data (VPD) card (8408-44E only) (see note 3) | 564B | 01LT985 | |
| Un-P2 | System backplane (8408-E8E only) | 2CC6 | 00LR476 |
| System backplane (8408-44E only) | 2CEE | 00E4861 | |
| Un-P2-C1 Un-P2-C4 Un-P2-C5 Un-P2-C8 |
Processor voltage regulator module (VRM) (8408-E8E only) | 2B80 (note 2) | 00LU854 |
| Processor voltage regulator module (VRM) (8408-44E only) | 51DB (note 2) | 01EL787 | |
| Un-P2-C2 Un-P2-C3 Un-P2-C6 Un-P2-C7 |
Processor module FRU kit, 12 core 3.02 GHz (includes processor module, heat sink, and TIM) (Module cannot be ordered separately) (8408-E8E only) | 551C | 00LU543 |
| Processor module FRU kit, 12 core 3.658 GHz (includes processor module, heat sink, and TIM) (Module cannot be ordered separately) (8408-44E only) | 552C | 01EL288 | |
| Processor module heat sink and TIM kit | 00LR426 | ||
| Un-P2-C9 Un-P2-C42 |
Memory voltage regulator module (VRM) (8408-E8E only) | 51D6 | 00LU855 |
| Memory voltage regulator module (VRM) (8408-44E only) | 51DC | 01EL972 | |
| Un-P2-C10 through Un-P2-C41 | Memory module filler | 41U9794 | |
| Un-P2-C10 through Un-P2-C41 | Memory module, 32 GB, 1600 MHz DDR3 (8408-E8E only) | 31E9 | 00VK194 |
| Memory module, 32 GB, 1600 MHz DDR4 (8408-44E only) | 31ED | 00VK291 | |
| Un-P5 | Power midplane (not shown, located under P1) (8408-E8E only) | 2CC8 | 00LR496 |
| Power midplane (not shown, located under P1) (8408-44E only) | 2D32 | 00E4865 | |
|
Note 1: Important: Read this entire note as there are exceptions to
what part number to order. The custom card identification number (CCIN) identifies the physical
features and logical behavior of a part. If two parts appear physically identical but have different
CCINs, they are not interchangeable unless stated elsewhere in the maintenance package or by the
next level of support. If two parts have different part numbers and yet have the same CCIN, they are
interchangeable.
When you order a part number reported in a serviceable event or call home record, check if the parts-ordering system has a conditional substitute for DS8000. There are some exceptions where the part number on the DS8000 FRU part number is not the same one that is reported and called home. The part number that is reported and called home might be the original eServer part number that might have firmware that is not appropriate for DS8000. Order the DS8000 FRU part number to ensure that the correct firmware is present. Note 2: Order the part for your CEC enclosure server model (even if
CCIN is the same for another model).
Note 3: VPD card is a storage-unique
part. Do not use the server version.
|
|||

| Location code | CEC enclosure part name | CCIN | Part number |
|---|---|---|---|
| Un-E1 Un-E2 Un-E3 Un-E4 |
Power supply 1400 W (8408-E8E only) | 2B1E | 01AF591 |
| Power supply 2000 W (8408-44E only) | 51DE | 01EL710 | |
| Un-P1-C2 Un-P1-C3 Un-P1-C8 Un-P1-C10 |
PCIe two-port card | 2DD4 | 98Y7945 |
| Un-P1-C5 | Service processor card (8408-E8E only) | 2CC7 | 00YM808 |
| Service processor card (8408-44E only) | 2CED | 02AM135 | |
| Un-P1-C6 | I2C interface card assembly | 2DD3 | 98Y9139 |
| Un-P1-C7 | RS-485 serial interface card | 2DDD | 98Y8925 |
| Un-P1-C11 | Ethernet adapter (1 Gb four-port, FC 5899) | 576F | 00RX893 |
| Un-P1-C12 | Ethernet adapter (10 Gb and 1 Gb four-port, FC EN0M ) | 2CC0 | 00E3504 |
| Un-P1-C1 Un-P1-C4 Un-P1-C9 |
Not used | ||
| Un-P1-T1 Un-P1-T2 |
Not used |

| Location code | CEC enclosure part name | CCIN (see note 1) |
Part number |
|---|---|---|---|
| Un-A6 to A9 | Fan assembly (internal) | 2CD0 | 00LU710 |
| Un-P3 | RAID card (8408-E8E only) | 2CCD (note 2) | 00E3992 |
| RAID card (8408-44E only) | 2CCD (note 2) | 00E4317 | |
| Un-P4 | Disk drive backplane | 2CCB | 00E3934 |
|
Note 1: Important: Read this entire note as there are exceptions to
what part number to order. The custom card identification number (CCIN) identifies the physical
features and logical behavior of a part. If two parts appear physically identical but have different
CCINs, they are not interchangeable unless stated elsewhere in the maintenance package or by the
next level of support. If two parts have different part numbers and yet have the same CCIN, they are
interchangeable.
When you order a part number reported in a serviceable event or call home record, check if the parts-ordering system has a conditional substitute for DS8000. There are some exceptions where the part number on the DS8000 FRU part number is not the same one that is reported and called home. The part number that is reported and called home might be the original eServer part number that might have firmware that is not appropriate for DS8000. Order the DS8000 FRU part number to ensure that the correct firmware is present. Note 2: Order the part for your CEC enclosure server model (even if
CCIN is the same for another model).
|
|||
| Location code | Part name | Part number |
|---|---|---|
| Un-P1-C2-T1 Un-P1-C2-T2 Un-P1-C3-T1 Un-P1-C3-T2 Un-P1-C8-T1 Un-P1-C8-T2 Un-P1-C10-T1 Un-P1-C10-T2 |
PCI cable FRUs, Models 982, 988, 98F, 88E | See Figure 5 and Table 7. |
| Un-P1-C5-T4 | Ethernet cable (SW1 to upper CEC XC1 service processor card, black) | 98Y8949 |
| Ethernet cable (SW1 to lower CEC XC2 service processor card, black) | 98Y8950 | |
| Un-P1-C5-T5 | Ethernet cable (SW2 to upper CEC XC1 service processor card, gray) | 98Y8953 |
| Ethernet cable (SW2 to lower CEC XC2 service processor card, gray) | 98Y8954 | |
| Un-P1-C6-T1 | RPC card to CEC enclosure I2C cable (RPC-1 to upper CEC) | 98Y8941 |
| RPC card to CEC enclosure I2C cable (RPC-1 to lower CEC) | 98Y8942 | |
| Un-P1-C6-T2 | RPC card to CEC enclosure I2C cable (RPC-2 to upper CEC) | 98Y8943 |
| RPC card to CEC enclosure I2C cable (RPC-2 to lower CEC) | 98Y8944 | |
| Un-P1-C7-T1 | RPC card to CEC enclosure serial cable (RPC-1 to upper CEC) | 98Y8945 |
| RPC card to CEC enclosure serial cable (RPC-1 to lower CEC) | 98Y8946 | |
| Un-P1-C7-T2 | RPC card to CEC enclosure serial cable (RPC-2 to upper CEC) | 98Y8947 |
| RPC card to CEC enclosure serial cable (RPC-2 to lower CEC) | 98Y8948 | |
| Un-P1-C11-T1 | Ethernet cable (SW1 to upper CEC XC1 LPAR, black) | 98Y8951 |
| Ethernet cable (SW1 to lower CEC XC2 LPAR, black) | 98Y8952 | |
| Un-P1-C11-T2 | Ethernet cable (SW2 to upper CEC XC1 LPAR, gray) | 98Y8955 |
| Ethernet cable (SW2 to lower CEC XC2 LPAR, gray) | 98Y8956 |

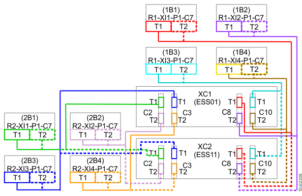
| From CEC R1-XC1 | To Rack 1 I/O Enclosure | Cable FRU part number |
|---|---|---|
| R1-XC1-P1-C8-T1 | (1B1) R1-XI1-P1-C7-T1 | 98Y8940 |
| R1-XC1-P1-C8-T2 | (1B2) R1-XI2-P1-C7-T1 | 98Y8940 |
| R1-XC1-P1-C10-T1 | (1B3) R1-XI3-P1-C7-T1 | 98Y8940 |
| R1-XC1-P1-C10-T2 | (1B4) R1-XI4-P1-C7-T1 | 98Y8940 |
| From CEC R1-XC1 | To Rack 2 I/O Enclosure | Cable FRU part number |
| R1-XC1-P1-C2-T1 | (2B1) R2-XI1-P1-C7-T1 | 98Y8940 |
| R1-XC1-P1-C2-T2 | (2B2) R2-XI2-P1-C7-T1 | 98Y8940 |
| R1-XC1-P1-C3-T1 | (2B3) R2-XI3-P1-C7-T1 | 98Y8940 |
| R1-XC1-P1-C3-T2 | (2B4) R2-XI4-P1-C7-T1 | 98Y8940 |
| From CEC R1-XC2 | To Rack 1 I/O Enclosure | Cable FRU part number |
| R1-XC2-P1-C8-T1 | (1B1) R1-XI1-P1-C7-T2 | 98Y8940 |
| R1-XC2-P1-C8-T2 | (1B2) R1-XI2-P1-C7-T2 | 98Y8940 |
| R1-XC2-P1-C10-T1 | (1B3) R1-XI3-P1-C7-T2 | 98Y8940 |
| R1-XC2-P1-C10-T2 | (1B4) R1-XI4-P1-C7-T2 | 98Y8940 |
| From CEC R1-XC2 | To Rack 2 I/O Enclosure | Cable FRU part number |
| R1-XC2-P1-C2-T1 | (2B1) R2-XI1-P1-C7-T2 | 98Y8940 |
| R1-XC2-P1-C2-T2 | (2B2) R2-XI2-P1-C7-T2 | 98Y8940 |
| R1-XC2-P1-C3-T1 | (2B3) R2-XI3-P1-C7-T2 | 98Y8940 |
| R1-XC2-P1-C3-T2 | (2B4) R2-XI4-P1-C7-T2 | 98Y8940 |